WizBangOut Gaslift Removal Tool

Listing #90768

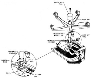
Description A new tool developed to remove a gaslift cylinder from office chair base or from the swivel/tilt mechanism. This WizBangOut tool will fit all standard office chairs. It is constructed of hard steel and built to take abuse. This new WizBangOut gaslift removal tool has long been needed to provide easier and simpler disassembly for standard office chairs. A must have. Makes gaslift removal a breeze!